Проектирование и монтаж котельной — это создание технологического центра всей системы отопления и горячего водоснабжения. Мы реализуем комплексные решения на базе твердотопливных и электрических котлов, обеспечивая надежность, безопасность и энергоэффективность для частного дома.
Принципы проектирования котельной (независимо от типа котла)

Требования к помещению: Котельная должна соответствовать нормам по объему, вентиляции (приточная и вытяжная), огнестойкости конструкций, наличию окна и двери. Для электрической котельной требования менее строгие, но вентиляция для охлаждения оборудования обязательна.
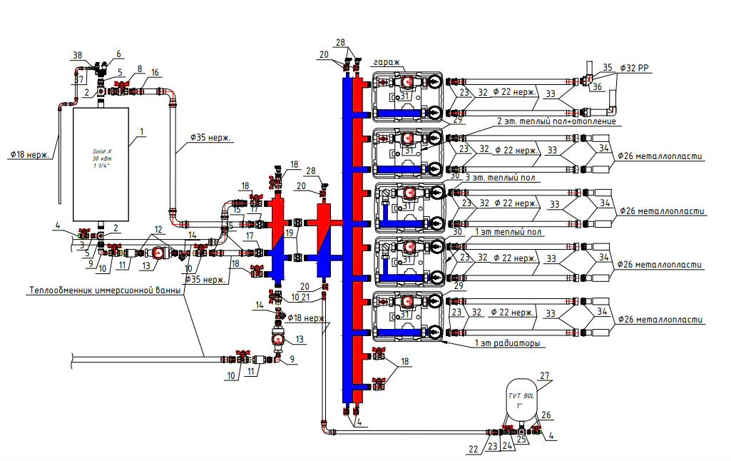
Гидравлическая обвязка: Правильная схема подключения котла к системе отопления (первично-вторичные кольца, коллекторная разводка) обеспечивает стабильную работу, защиту от перегрева и продлевает срок службы оборудования.
Система безопасности: Обязательный монтаж группы безопасности (манометр, предохранительный клапан, автоматический воздухоотводчик) и аварийного охлаждения для твердотопливных котлов.
Комплектация: В базовый комплект, помимо котла, входят: циркуляционные насосы, расширительный бак, фильтр-грязевик, запорно-регулирующая арматура, система дымоудаления (для твердотопливных).
Монтаж котельной на твердотопливном котле :

Система с высокой автономностью, но требующая точного расчета и сложной обвязки.
Инерционность и риск перегрева: Котел не может быть мгновенно остановлен. Система должна эффективно отводить излишки тепла даже после прекращения горения.
Защита от конденсата: В обратную линию котла необходимо подавать теплоноситель с температурой дельта 20 °C для предотвращения образования агрессивного кислотного конденсата, разрушающего теплообменник.
Цикличность работы: Система должна сглаживать перепады температуры между фазами активного горения и остывания.
Монтаж котельной на электрическом котле :
Система с максимальным удобством управления, но с высокими требованиями к подводимой мощности и качеству электромонтажа.

Выделенная электрическая мощность: Необходим расчет суммарной мощности котла и других потребителей дома. Часто требуется выделенная трехфазная линия (380В) и увеличение разрешенной мощности.
Монтаж управляющей автоматики: Правильная интеграция программаторов, комнатных термостатов и систем удаленного управления (GSM, Wi-Fi) для точного поддержания температуры и экономии.
РАСПРОДАЖА
Котлы
Пеллетные горелки
Комплектующие для твердотопливных котлов
Комплектующие для электрокотлов
Гидроразделители нержавеющие
Группы быстрого монтажа
Стальные гидрострелки и коллекторы
ИБП, аккумуляторы и стабилизаторы
Запчасти для котлов
Автоматика ZONT
Банные и отопительные печи и камины
Дымоходы
Сопутствующие товары для дымохода
Канализационные трубы и фитинги
Материалы и оборудование для монтажа
Металлопластиковые трубы и фитинги
Мембранные расширительные баки
Насосное оборудование
Водоочистка
Система контроля протечек
Водонагреватели
Емкости для воды
Полипропиленовые трубы и фитинги
ПНД трубы и фитинги
Радиаторы
Регулирующая и предохранительная арматура
Стальные трубы и фитинги
Сшитый полиэтилен трубы и фитинги
Тепловентиляторы, обогреватели
Теплоизоляционные материалы
Теплоноситель
Теплый пол водяной
Теплый пол электрический
Трубопроводная арматура
Пресс фитинги и трубы из нержавеющей трубы
Топливо
Электрокаменки